پلاسٹک میگنیٹک مائیکرو سوئچ ایک ایسا سوئچ ڈیوائس ہے جو مقناطیسی فیلڈ سگنلز کے ذریعے سرکٹ کے آن آف کو کنٹرول کرتا ہے۔ اس کی بنیادی خصوصیت نان کنٹیکٹ آپریشن ہے، اس لیے اس میں تیز رسپانس، طویل سروس لائف، اور اعلیٰ بھروسے کے فوائد ہیں، اور بڑے پیمانے پر صنعتی آٹومیشن، سیکیورٹی، آٹوموٹو، اور سمارٹ ہوم فیلڈز میں استعمال ہوتا ہے۔
مائیکرو سوئچ کا تعارف
مقناطیسی سوئچ ایک ایسا سوئچ ڈیوائس ہے جو مقناطیسی فیلڈ سگنلز کے ذریعے سرکٹ کے آن آف کو کنٹرول کرتا ہے۔ اس کی بنیادی خصوصیت نان کنٹیکٹ آپریشن ہے، اس لیے اس میں تیز رسپانس، طویل سروس لائف، اور اعلیٰ بھروسے کے فوائد ہیں، اور بڑے پیمانے پر صنعتی آٹومیشن، سیکیورٹی، آٹوموٹو، اور سمارٹ ہوم فیلڈز میں استعمال ہوتا ہے۔
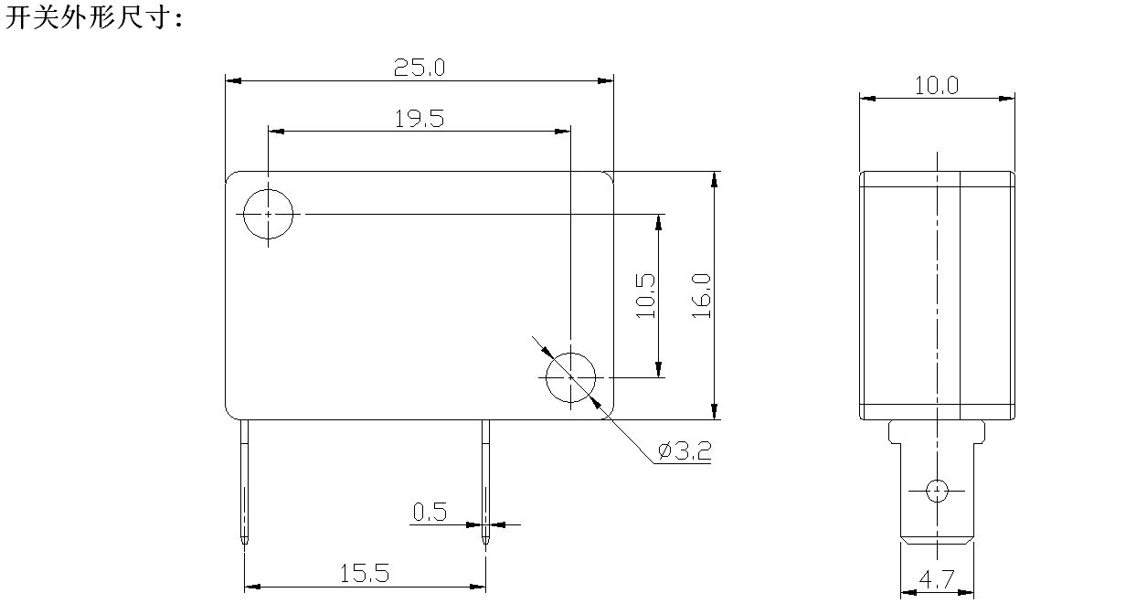
مائیکرو سوئچ پیرامیٹر (تفصیلات)
| تکنیکی خصوصیات کو تبدیل کریں: | |||
| ITEM | تکنیکی پیرامیٹر | قدر | |
| 1 | الیکٹریکل ریٹنگ | 5(2)A/10A/16(3)A/21(8)A 250VAC | |
| 2 | مزاحمت سے رابطہ کریں۔ | ≤30mΩ ابتدائی قدر | |
| 3 | موصلیت مزاحمت | ≥100MΩ (500VDC) | |
| 4 |
ڈائی الیکٹرک وولٹیج |
کے درمیان غیر منسلک ٹرمینلز |
1000V/0.5mA/60S |
|
ٹرمینلز کے درمیان اور دھاتی فریم |
3000V/0.5mA/60S | ||
| 5 | برقی زندگی | ≥50000 سائیکل | |
| 6 | مکینیکل لائف | ≥1000000 سائیکل | |
| 7 | آپریٹنگ درجہ حرارت | -25~125℃ | |
| 8 | آپریٹنگ فریکوئنسی |
برقی : 15 سائیکل مکینیکل: 60 سائیکل |
|
| 9 | وائبریشن پروف |
کمپن فریکوئنسی: 10~55HZ؛ طول و عرض: 1.5 ملی میٹر؛ تین سمتیں: 1H |
|
| 10 |
سولڈر کی صلاحیت: ڈوبی ہوئی حصہ کا 80 فیصد سے زیادہ سولڈر کے ساتھ احاطہ کیا جائے گا |
سولڈرنگ درجہ حرارت: 235 ± 5 ℃ ڈوبنے کا وقت: 2~3S |
|
| 11 | ٹانکا لگانا گرمی مزاحمت |
ڈپ سولڈرنگ: 260±5℃ 5±1S دستی سولڈرنگ: 300±5℃ 2~3S |
|
| 12 | حفاظتی منظوری | UL,CSA,VDE,ENEC,TUV,CE,KC,CQC | |
| 13 | ٹیسٹ کی شرائط |
محیطی درجہ حرارت: 20±5℃ رشتہ دار نمی:65±5%RH ہوا کا دباؤ: 86~106KPa |
|
مائیکرو سوئچ کی خصوصیت اور درخواست
مائیکرو سوئچ کی تفصیلات
