Yueqing Tongda Wire Electric Factory کی مائیکرو سوئچ سیریز کے بینچ مارک ماڈل کے طور پر، ریفریجریٹر اور الیکٹرک کھلونوں کے لیے عام طور پر اوپن آٹومیٹک ری سیٹ مائیکرو سوئچ اس کے بنیادی فوائد کے طور پر "اعلی حساسیت، انتہائی طویل عمر، اور ملٹی سیناریو موافقت" کی خصوصیات رکھتا ہے۔ کمپنی کی 35 سالہ سوئچ مینوفیکچرنگ کی مہارت کو یکجا کرتے ہوئے، یہ گھریلو آلات، آٹوموٹیو الیکٹرانکس، صنعتی آٹومیشن، اور دیگر شعبوں میں ایک کلیدی کنٹرول جزو بن گیا ہے، اس کے کم سے کم رابطے کے فرق اور تیز رفتار کارروائی کے طریقہ کار کی بدولت۔ اس کی کارکردگی اور وشوسنییتا کو دنیا بھر میں متعدد مستند تنظیموں نے تصدیق کی ہے، جس نے مخصوص مارکیٹ میں اپنی مرکزی دھارے کی پوزیشن کو محفوظ بنایا ہے۔
مائیکرو سوئچ کا تعارف
HK-14 سیریز مختلف درخواست کی ضروریات کو پورا کرنے کے لیے انتہائی لچکدار حسب ضرورت اختیارات پیش کرتی ہے۔ آپریٹنگ فورس کو اپنی مرضی کے مطابق بنایا جاسکتا ہے (لیور فری حالت میں 5.0 N سے کم، معیاری 30±15 gf)، آپریٹنگ اسٹروک رینج 0.6–1.5 ملی میٹر کے ساتھ، مختلف محرک قوت اور نقل مکانی کے منظرناموں کے لیے موزوں ہے۔ لیور کے انداز حسب ضرورت ہیں، بشمول سیدھے، جھکے ہوئے، اور رولر لیورز، جو مختلف مکینیکل ٹرانسمیشن ڈھانچے سے مل سکتے ہیں۔ رابطہ فارم SPDT (1NO 1NC)، NO، اور NC کی پوری رینج کا احاطہ کرتے ہیں۔
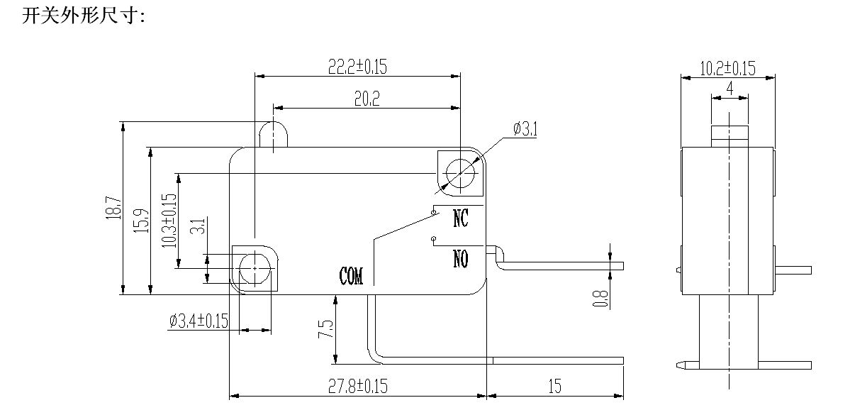
مائیکرو سوئچ پیرامیٹر (تفصیلات)
| تکنیکی خصوصیات کو تبدیل کریں: | |||
| ITEM | تکنیکی پیرامیٹر | قدر | |
| 1 | الیکٹریکل ریٹنگ | 5(2)A/10A/16(3)A/21(8)A 250VAC | |
| 2 | مزاحمت سے رابطہ کریں۔ | ≤30mΩ ابتدائی قدر | |
| 3 | موصلیت مزاحمت | ≥100MΩ (500VDC) | |
| 4 |
ڈائی الیکٹرک وولٹیج |
کے درمیان غیر منسلک ٹرمینلز |
1000V/0.5mA/60S |
|
ٹرمینلز کے درمیان اور دھاتی فریم |
3000V/0.5mA/60S | ||
| 5 | برقی زندگی | ≥50000 سائیکل | |
| 6 | مکینیکل لائف | ≥1000000 سائیکل | |
| 7 | آپریٹنگ درجہ حرارت | -25~125℃ | |
| 8 | آپریٹنگ فریکوئنسی |
برقی : 15 سائیکل مکینیکل: 60 سائیکل |
|
| 9 | وائبریشن پروف |
کمپن فریکوئنسی: 10~55HZ؛ طول و عرض: 1.5 ملی میٹر؛ تین سمتیں: 1H |
|
| 10 |
سولڈر کی صلاحیت: ڈوبی ہوئی حصہ کا 80 فیصد سے زیادہ سولڈر کے ساتھ احاطہ کیا جائے گا |
سولڈرنگ درجہ حرارت: 235 ± 5 ℃ ڈوبنے کا وقت: 2~3S |
|
| 11 | ٹانکا لگانا گرمی مزاحمت |
ڈپ سولڈرنگ: 260±5℃ 5±1S دستی سولڈرنگ: 300±5℃ 2~3S |
|
| 12 | حفاظتی منظوری | UL,CSA,VDE,ENEC,TUV,CE,KC,CQC | |
| 13 | ٹیسٹ کی شرائط |
محیطی درجہ حرارت: 20±5℃ رشتہ دار نمی:65±5%RH ہوا کا دباؤ: 86~106KPa |
|
مائیکرو سوئچ کی خصوصیت اور درخواست
مائیکرو سوئچ کی تفصیلات
