یوقنگ ٹونگڈا وائر الیکٹرک فیکٹری کی مائیکرو سوئچ سیریز کے بینچ مارک ماڈل کے طور پر، مائیکرو ویو اوون اور واشنگ مشین مائیکرو سوئچ اس کے بنیادی فوائد کے طور پر "اعلی حساسیت، انتہائی طویل عمر، اور کثیر منظر نامے کی موافقت" کی خصوصیات رکھتا ہے۔ کمپنی کی 35 سالہ سوئچ مینوفیکچرنگ کی مہارت کو یکجا کرتے ہوئے، یہ گھریلو آلات، آٹوموٹیو الیکٹرانکس، صنعتی آٹومیشن، اور دیگر شعبوں میں ایک کلیدی کنٹرول جزو بن گیا ہے، اس کے کم سے کم رابطے کے فرق اور تیز رفتار کارروائی کے طریقہ کار کی بدولت۔ اس کی کارکردگی اور وشوسنییتا کو دنیا بھر میں متعدد مستند تنظیموں نے تصدیق کی ہے، جس نے مخصوص مارکیٹ میں اپنی مرکزی دھارے کی پوزیشن کو محفوظ بنایا ہے۔
مائیکرو سوئچ کا تعارف
پروڈکٹ نے UL, C-UL, ENEC, VDE, CE, CB, TUV, CQC اور KC سمیت بڑے عالمی حفاظتی سرٹیفیکیشن حاصل کیے ہیں، IEC 61058 کے معیار کی تعمیل کرتے ہیں، اور یورپ، امریکہ، اور ایشیا پیسفک جیسے خطوں میں مارکیٹ تک رسائی کی ضروریات کو پورا کرتے ہیں۔ کمپنی نے ISO9001 اور IATF 16949 کوالٹی مینجمنٹ سسٹم سرٹیفیکیشن حاصل کیے ہیں اور RoHS اور REACH ماحولیاتی ہدایات پر سختی سے عمل درآمد کرتے ہوئے پورے پیداواری عمل میں بہتر کنٹرول کو یقینی بنایا ہے۔ 6 قومی ایجاد پیٹنٹ اور 48 یوٹیلیٹی ماڈل پیٹنٹس کے ساتھ، HK-14 سیریز صنعت میں قابل اعتماد اور مستقل مزاجی کی سطح کو حاصل کرتی ہے۔
تنصیب اور استعمال کے رہنما خطوط
انسٹال کرتے وقت، سوئچ کو فلیٹ سطح پر لگانا چاہیے اور اسے فلیٹ واشر یا اسپرنگ واشر کے ساتھ باندھنا چاہیے تاکہ ناہموار سطحوں کی وجہ سے خرابی یا کیسنگ کو پہنچنے والے نقصان کو روکا جا سکے۔ ماحول کی بنیاد پر ماڈلز کا انتخاب کریں: مرطوب یا گرد آلود حالات کے لیے، تحفظ کو بڑھانے کے لیے مہر بند حسب ضرورت ورژن استعمال کرنے کی سفارش کی جاتی ہے۔ رابطے کے چپکنے، فنکشنل فیل ہونے، یا یہاں تک کہ برن آؤٹ کو روکنے کے لیے بٹن یا ایکچیویٹر پر چکنا کرنے والا تیل نہ لگائیں۔ سٹوریج کے دوران، پروڈکٹ کو خشک، ہوادار جگہ پر رکھیں، بارش یا برف سے محفوظ رہیں، اور اعلی درجہ حرارت اور نمی سے بچیں جو اجزاء کی عمر بڑھنے کا سبب بن سکتا ہے، اس بات کو یقینی بناتے ہوئے کہ پروڈکٹ اپنی اصل کارکردگی کو برقرار رکھے۔
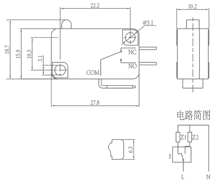
مائیکرو سوئچ پیرامیٹر (تفصیلات)
| تکنیکی خصوصیات کو تبدیل کریں: | |||
| ITEM | تکنیکی پیرامیٹر | قدر | |
| 1 | الیکٹریکل ریٹنگ | 5(2)A/10A/16(3)A/21(8)A 250VAC | |
| 2 | مزاحمت سے رابطہ کریں۔ | ≤30mΩ ابتدائی قدر | |
| 3 | موصلیت مزاحمت | ≥100MΩ (500VDC) | |
| 4 |
ڈائی الیکٹرک وولٹیج |
کے درمیان غیر منسلک ٹرمینلز |
1000V/0.5mA/60S |
|
ٹرمینلز کے درمیان اور دھاتی فریم |
3000V/0.5mA/60S | ||
| 5 | برقی زندگی | ≥50000 سائیکل | |
| 6 | مکینیکل لائف | ≥1000000 سائیکل | |
| 7 | آپریٹنگ درجہ حرارت | -25~125℃ | |
| 8 | آپریٹنگ فریکوئنسی |
برقی : 15 سائیکل مکینیکل: 60 سائیکل |
|
| 9 | وائبریشن پروف |
کمپن فریکوئنسی: 10~55HZ؛ طول و عرض: 1.5 ملی میٹر؛ تین سمتیں: 1H |
|
| 10 |
سولڈر کی صلاحیت: ڈوبی ہوئی حصہ کا 80 فیصد سے زیادہ سولڈر کے ساتھ احاطہ کیا جائے گا |
سولڈرنگ درجہ حرارت: 235 ± 5 ℃ ڈوبنے کا وقت: 2~3S |
|
| 11 | ٹانکا لگانا گرمی مزاحمت |
ڈپ سولڈرنگ: 260±5℃ 5±1S دستی سولڈرنگ: 300±5℃ 2~3S |
|
| 12 | حفاظتی منظوری | UL,CSA,VDE,ENEC,TUV,CE,KC,CQC | |
| 13 | ٹیسٹ کی شرائط |
محیطی درجہ حرارت: 20±5℃ رشتہ دار نمی:65±5%RH ہوا کا دباؤ: 86~106KPa |
|
مائیکرو سوئچ کی خصوصیت اور درخواست
مائیکرو سوئچ کی تفصیلات
