Yueqing Tongda Wire Electric Factory کی مائیکرو سوئچ سیریز کے بینچ مارک ماڈل کے طور پر، HK-14 ہائی ٹمپریچر 16A 250V کرنٹ مائیکرو سوئچ اس کے بنیادی فوائد کے طور پر "اعلی حساسیت، انتہائی طویل عمر، اور ملٹی سیناریو موافقت" کی خصوصیات رکھتا ہے۔ کمپنی کی 35 سالہ سوئچ مینوفیکچرنگ کی مہارت کو یکجا کرتے ہوئے، یہ گھریلو آلات، آٹوموٹیو الیکٹرانکس، صنعتی آٹومیشن، اور دیگر شعبوں میں ایک کلیدی کنٹرول جزو بن گیا ہے، اس کے کم سے کم رابطے کے فرق اور تیز رفتار کارروائی کے طریقہ کار کی بدولت۔ اس کی کارکردگی اور وشوسنییتا کو دنیا بھر میں متعدد مستند تنظیموں نے تصدیق کی ہے، جس نے مخصوص مارکیٹ میں اپنی مرکزی دھارے کی پوزیشن کو محفوظ بنایا ہے۔
مائیکرو سوئچ کا تعارف
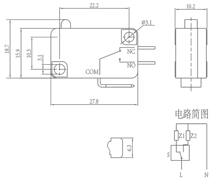
HK-14 سیریز مختلف ایپلی کیشنز کی ضروریات کو پورا کرنے کے لیے انتہائی لچکدار حسب ضرورت اختیارات فراہم کرتی ہے۔ آپریٹنگ فورس حسب ضرورت ہے (5.0N سے کم لیور لیس حالت میں، عام طور پر 30±15gf)، آپریٹنگ اسٹروک رینج 0.6 سے 1.5mm کے ساتھ، مختلف محرک قوت اور نقل مکانی کے منظرناموں کو ایڈجسٹ کرتی ہے۔ مختلف مکینیکل ٹرانسمیشن ڈھانچے کے مطابق لیور کے انداز حسب ضرورت ہیں، بشمول سیدھے لیورز، مڑے ہوئے لیورز، اور رولر لیورز۔ رابطے کی اقسام میں SPDT (1NO+1NC)، NO، اور NC شامل ہیں، مکمل رینج کا احاطہ کرتے ہوئے، سنگل کنٹرول، انٹر لاک، اور سرکٹ ڈیزائن کی دیگر ضروریات کو پورا کرنے کے لیے۔
تنصیب اور استعمال کے رہنما خطوط
انسٹال کرتے وقت، سوئچ کو فلیٹ سطح پر لگانا چاہیے اور اسے فلیٹ واشر یا اسپرنگ واشر کے ساتھ باندھنا چاہیے تاکہ ناہموار سطحوں کی وجہ سے خرابی یا کیسنگ کو پہنچنے والے نقصان کو روکا جا سکے۔ ماحول کی بنیاد پر ماڈلز کا انتخاب کریں: مرطوب یا گرد آلود حالات کے لیے، تحفظ کو بڑھانے کے لیے مہر بند حسب ضرورت ورژن استعمال کرنے کی سفارش کی جاتی ہے۔ رابطے کے چپکنے، فنکشنل فیل ہونے، یا یہاں تک کہ برن آؤٹ کو روکنے کے لیے بٹن یا ایکچیویٹر پر چکنا کرنے والا تیل نہ لگائیں۔ سٹوریج کے دوران، پروڈکٹ کو خشک، ہوادار جگہ پر رکھیں، بارش یا برف سے محفوظ رہیں، اور اعلی درجہ حرارت اور نمی سے بچیں جو اجزاء کی عمر بڑھنے کا سبب بن سکتا ہے، اس بات کو یقینی بناتے ہوئے کہ پروڈکٹ اپنی اصل کارکردگی کو برقرار رکھے۔
مائیکرو سوئچ پیرامیٹر (تفصیلات)
| تکنیکی خصوصیات کو تبدیل کریں: | |||
| ITEM | تکنیکی پیرامیٹر | قدر | |
| 1 | الیکٹریکل ریٹنگ | 5(2)A/10A/16(3)A/21(8)A 250VAC | |
| 2 | مزاحمت سے رابطہ کریں۔ | ≤30mΩ ابتدائی قدر | |
| 3 | موصلیت مزاحمت | ≥100MΩ (500VDC) | |
| 4 |
ڈائی الیکٹرک وولٹیج |
کے درمیان غیر منسلک ٹرمینلز |
1000V/0.5mA/60S |
|
ٹرمینلز کے درمیان اور دھاتی فریم |
3000V/0.5mA/60S | ||
| 5 | برقی زندگی | ≥50000 سائیکل | |
| 6 | مکینیکل لائف | ≥1000000 سائیکل | |
| 7 | آپریٹنگ درجہ حرارت | -25~125℃ | |
| 8 | آپریٹنگ فریکوئنسی |
برقی : 15 سائیکل مکینیکل: 60 سائیکل |
|
| 9 | وائبریشن پروف |
کمپن فریکوئنسی: 10~55HZ؛ طول و عرض: 1.5 ملی میٹر؛ تین سمتیں: 1H |
|
| 10 |
سولڈر کی صلاحیت: ڈوبی ہوئی حصہ کا 80 فیصد سے زیادہ سولڈر کے ساتھ احاطہ کیا جائے گا |
سولڈرنگ درجہ حرارت: 235 ± 5 ℃ ڈوبنے کا وقت: 2~3S |
|
| 11 | ٹانکا لگانا گرمی مزاحمت |
ڈپ سولڈرنگ: 260±5℃ 5±1S دستی سولڈرنگ: 300±5℃ 2~3S |
|
| 12 | حفاظتی منظوری | UL,CSA,VDE,ENEC,TUV,CE,KC,CQC | |
| 13 | ٹیسٹ کی شرائط |
محیطی درجہ حرارت: 20±5℃ رشتہ دار نمی:65±5%RH ہوا کا دباؤ: 86~106KPa |
|
مائیکرو سوئچ کی خصوصیت اور درخواست
مائیکرو سوئچ کی تفصیلات
