ییوکنگ ٹونگڈا کیبل پاور پلانٹ کی مائیکرو سوئچ سیریز کے بینچ مارک ماڈل کے طور پر ، HK-14 میں "اعلی حساسیت ، انتہائی لمبی عمر ، اور ملٹی سینریو موافقت" کو اس کے بنیادی فوائد کے طور پر پیش کیا گیا ہے۔ کمپنی کے 35 سال سوئچ مینوفیکچرنگ کی مہارت کو مربوط کرتے ہوئے ، یہ گھریلو ایپلائینسز ، آٹوموٹو الیکٹرانکس ، صنعتی آٹومیشن ، اور دیگر شعبوں میں ایک اہم کنٹرول جزو بن گیا ہے ، اس کے کم سے کم رابطے کے فرق اور تیز رفتار ایکشن میکانزم کی بدولت۔ اس کی کارکردگی اور وشوسنییتا کو دنیا بھر میں متعدد مستند تنظیموں کے ذریعہ تصدیق کی گئی ہے ، جو طاق مارکیٹ میں اپنی مرکزی دھارے کی پوزیشن حاصل کرتے ہیں۔
مائیکرو سوئچ کا تعارف
ملی سیکنڈ-عین مطابق ٹرگرنگ: 0.5-1.6 ملی میٹر کے مختصر سفر اور 0.25-4N کی ایڈجسٹ آپریٹنگ فورس کے ساتھ ایک سنیپ ایکشن فاسٹ میکانزم کا استعمال کرتا ہے ، جو "جھوٹے محرکات" کو موثر انداز میں روکنے کے لئے تیز اور تاخیر سے پاک ردعمل فراہم کرتا ہے۔ اعلی صحت سے متعلق منظرناموں کے لئے موزوں ہے جیسے مائکروویو تندور کے دروازے کے کنٹرول اور صنعتی سینسر۔
Ma doskonałe właściwości uszczelniające i konserwujące, które mogą przedłużyć okres przydatności do spożycia żywności
وسیع ماحولیاتی موافقت: -25 ℃ سے 125 ℃ کے وسیع درجہ حرارت کی حد کے تحت کام کرتا ہے ، 10-55Hz کی اعلی تعدد کمپنوں کا مقابلہ کرتا ہے ، جس میں موصلیت کی مزاحمت ≥100mω ، اور ٹرمینل 1000V AC کے وولٹیج کا مقابلہ کرتی ہے۔ سخت حالات میں قابل اعتماد کارکردگی جیسے صنعتی ورکشاپ کمپن اور آٹوموبائل انجن کے ٹوکریوں میں اعلی درجہ حرارت۔
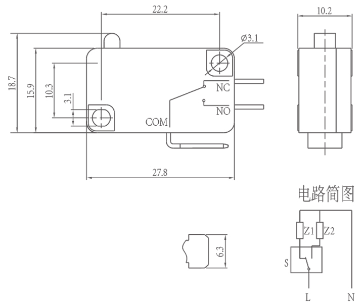
مائیکرو سوئچ پیرامیٹر (تفصیلات)
| تکنیکی خصوصیات کو تبدیل کریں: | |||
| آئٹم | تکنیکی پیرامیٹر | قیمت | |
| 1 | بجلی کی درجہ بندی | 5 (2) A/10A/16 (3) A/21 (8) A 250VAC | |
| 2 | رابطہ مزاحمت | ≤30mΩ ابتدائی قدر | |
| 3 | موصلیت کے خلاف مزاحمت | ≥100mΩ (500VDC) | |
| 4 |
dieelectric وولٹیج |
کے درمیان غیر منسلک ٹرمینلز |
1000V/0.5ma/60s |
| ٹرمینلز کے درمیان اور دھات کا فریم |
3000V/0.5ma/60s | ||
| 5 | بجلی کی زندگی | ≥50000 سائیکل | |
| 6 | مکینیکل زندگی | ≥1000000 سائیکل | |
| 7 | آپریٹنگ درجہ حرارت | -25 ~ 125 ℃ | |
| 8 | آپریٹنگ فریکوئنسی | برقی: 15 سائیکل مکینیکل: 60 سائیکل |
|
| 9 | کمپن پروف | کمپن فریکوئنسی: 10 ~ 55Hz ؛ طول و عرض: 1.5 ملی میٹر ؛ تین سمت: 1h |
|
| 10 | سولڈر کی اہلیت: ڈوبے ہوئے حصے کا 80 ٪ سے زیادہ سولڈر کے ساتھ احاطہ کیا جائے گا |
سولڈرنگ کا درجہ حرارت: 235 ± 5 ℃ ڈوبنے کا وقت: 2 ~ 3s |
|
| 11 | سولڈر گرمی کی مزاحمت | ڈپ سولڈرنگ: 260 ± 5 ℃ 5 ± 1s دستی سولڈرنگ: 300 ± 5 ℃ 2 ~ 3S |
|
| 12 | حفاظت کی منظوری | UL 、 CSA 、 vde 、 enec 、 tuv 、 ce 、 kc 、 cqc | |
| 13 | ٹیسٹ کے حالات | محیطی درجہ حرارت: 20 ± 5 ℃ متعلقہ نمی: 65 ± 5 ٪ RH ہوا کا دباؤ: 86 ~ 106KPA |
|
مائیکرو سوئچ کی خصوصیت اور درخواست
مائیکرو سوئچ کی تفصیلات


